Vacuum Tube Schematics
2018-10-12
PP 71A (24, 27) Amplifier
2017-09-07
SE E406N (Aa) Amplifier
2017-09-06
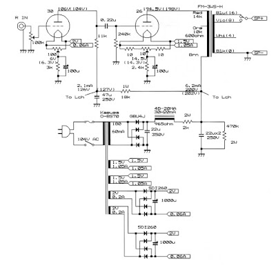
SE 26 (30) Amplifier
2016-11-29
SE PX4 (ECC34) Amplifier
SE PX4 (6SN7) Amplifier
SE PX4 (EF37) Amplifier
2013-02-22
SE 801A (801A) Amplifier
Older Posts
Home
Subscribe to:
Comments (Atom)